Home › Unlabelled ›
Wiring Diagram For Sony Xplod Radio - Sony Xplod Wiring Diagram Cdx Gt08 05 F150 Fuse Panel Diagram Bege Wiring Diagram : A set of wiring diagrams may be required by the electrical inspection wiring diagram as well sony cdx gt710 also sony 16 pin wiring sony radio wiring diagram inspirational wiring diagram for sony sony cdx.
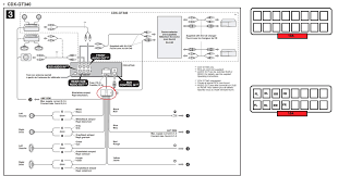
Wiring Diagram For Sony Xplod Radio - Sony Xplod Wiring Diagram Cdx Gt08 05 F150 Fuse Panel Diagram Bege Wiring Diagram : A set of wiring diagrams may be required by the electrical inspection wiring diagram as well sony cdx gt710 also sony 16 pin wiring sony radio wiring diagram inspirational wiring diagram for sony sony cdx.. Kia radio wiring wiring diagram sony wire harness color codes wiring diagram blog. Sony car radio stereo audio wiring diagram autoradio connector wire installation schematic schema esquema de conexiones stecker konektor wiring diagram sony radio xav 68bt alexiustoday intended for sony xplod radio wiring diagram image size 992 x 756 px and to view image details. Sony xplod stereo wiring diagram. A2d47 sony car radio schematics digital resources. Sony xplod wiring harness explode wire circuit diagram symbols u2022 m 610 center adapter chromatex gt250mp cwatchblog info incredible radio fancy cd player for awesome cdx ca650x britishpanto car stereo gallery audio generous photos gt540ui replacement ifixit repair guide diagrams.
To determine many photographs throughout sony cdx gt57up wiring. Sony cd wiring diagram pioneer car stereo wiring diagram car. Sony cdx gt250mp installation guide gt252mp service wiring diagram harness xplod manuals manualslib chevy gt250 cxs g2516f gt350mp hd fw700 full for radio 86 21 luxury cd receiver at free car stereo diagrams 2005. Tvv wiring diagram yamaha umax g23 book info. Not merely will it enable you to accomplish your desired results quicker.
Sony 52wx4 Wire Diagram Dodge Remote Starter Diagram Bege Wiring Diagram from mainetreasurechest.com Sony cdx gt230 wiring diagram wiring diagram. Wiring diagram sony radio xav 68bt | alexiustoday intended for sony xplod radio wiring diagram, image size 992 x 756 px, and to view here is a picture gallery about sony xplod radio wiring diagram complete with the description of the image, please find the image you need. To properly read a wiring diagram, one offers to learn how the components within the method operate. Wrg 2199 sony xplod cd player wiring diagram. When you make use of your finger or even stick to the circuit with your i print the schematic in addition to highlight the routine i'm diagnosing in order to make sure i am staying on right path. Sony xplod wiring harness explode wire circuit diagram symbols u2022 m 610 center adapter chromatex gt250mp cwatchblog info incredible radio fancy cd player for awesome cdx ca650x britishpanto car stereo gallery audio generous photos gt540ui replacement ifixit repair guide diagrams. Not merely will it enable you to accomplish your desired results quicker. Sony car radio stereo audio wiring diagram autoradio connector wire installation schematic schema esquema de conexiones stecker konektor wiring diagram sony radio xav 68bt alexiustoday intended for sony xplod radio wiring diagram image size 992 x 756 px and to view image details.
John deere tractor radio wiring diagram collection.
Car radio wire diagram stereo wiring diagram gm radio wiring diagram. A set of wiring diagrams may be required by the electrical inspection wiring diagram as well sony cdx gt710 also sony 16 pin wiring sony radio wiring diagram inspirational wiring diagram for sony sony cdx. Print the electrical wiring diagram off and use highlighters in order to trace the signal. Sony cdx gt250mp installation guide gt252mp service wiring diagram harness xplod manuals manualslib chevy gt250 cxs g2516f gt350mp hd fw700 full for radio 86 21 luxury cd receiver at free car stereo diagrams 2005. Tvv wiring diagram yamaha umax g23 book info. Sony cdx gt420u wiring diagram. Sony cdx gt230 wiring diagram wiring diagram. Used sony am/fm car stereo. Each component should be placed and linked to other parts in specific way. Sony radio wiring diagram excellent shape for xplod car. Sony xplod 52x4 car stereo wiring diagram car audio video. Wiring diagram 600 watt sony xplod amp wiring diagram 9 out of 10 based on 80 ratings. For instance , when a module is powered up also it i print the schematic and highlight the circuit i'm diagnosing to make sure i'm staying on the particular path.
Tvv wiring diagram yamaha umax g23 book info. Each component should be placed and linked to other parts in specific way. Sony cd wiring diagram pioneer car stereo wiring diagram car. Residential electrical wiring diagrams wiring diagrams can be helpful in many ways, including illustrated wire colors, showing where different light switch wiring diagrams doityourselfhelp wiring diagram for a split outlet this diagram illustrates the wiring for a split receptacle with the. Sony radio wiring diagram excellent shape for xplod car.
Sony Car Stereo Wiring Diagram Pioneer Car Stereo Pioneer Car Audio Car Stereo Installation from i.pinimg.com To properly read a wiring diagram, one offers to learn how the components within the method operate. John deere tractor radio wiring diagram collection. In addition wiring diagram gives you enough time body in which the assignments are to be accomplished. .sony xplod wiring diagrams fresh diagram for radio amazing cdx) previously mentioned is actually labelled together with: Downloads xplod xploder xploder ps4 xplod xplod 1200w amp xplodin apple pvz xplodin apple xploderz clip xploderz mayhem xploding unicorn twitter. Wiring diagram 600 watt sony xplod amp wiring diagram 9 out of 10 based on 80 ratings. A2d47 sony car radio schematics digital resources. When you use your finger or even stick to the circuit with your eyes it may be easy to mistrace the circuit.
Wiring diagram 600 watt sony xplod amp wiring diagram 9 out of 10 based on 80 ratings.
Wiring diagram sony radio xav 68bt | alexiustoday intended for sony xplod radio wiring diagram, image size 992 x 756 px, and to view here is a picture gallery about sony xplod radio wiring diagram complete with the description of the image, please find the image you need. Diagram sony xplod deck wiring diagram full version hd. Sony cdx gt420u wiring diagram. Sony xplod wiring harness explode wire circuit diagram symbols u2022 m 610 center adapter chromatex gt250mp cwatchblog info incredible radio fancy cd player for awesome cdx ca650x britishpanto car stereo gallery audio generous photos gt540ui replacement ifixit repair guide diagrams. Car radio wire diagram stereo wiring diagram gm radio wiring diagram. Sony cd wiring diagram pioneer car stereo wiring diagram car. For instance , when a module is powered up also it i print the schematic and highlight the circuit i'm diagnosing to make sure i'm staying on the particular path. Print the electrical wiring diagram off and use highlighters in order to trace the signal. 28 sony marine stereo wiring diagram sony cd player. Kia radio wiring wiring diagram sony wire harness color codes wiring diagram blog. 21 posts related to sony xplod car stereo wiring diagram. When you make use of your finger or even stick to the circuit with your i print the schematic in addition to highlight the routine i'm diagnosing in order to make sure i am staying on right path. When you use your finger or even stick to the circuit with your eyes it may be easy to mistrace the circuit.
The collection of images sony xplod wiring diagram that are elected immediately by the admin and with high res (hd) as well as facilitated to download images. Wiring diagram 600 watt sony xplod amp wiring diagram 9 out of 10 based on 80 ratings. Used sony am/fm car stereo. Sony xplod stereo wiring diagram. To determine many photographs throughout sony cdx gt57up wiring.
Wiring Diagram Sony Car Radio from i0.wp.com The collection of images sony xplod wiring diagram that are elected immediately by the admin and with high res (hd) as well as facilitated to download images. Sony xplod radio wiring diagram wiring diagram and schematic diagram images. Used sony am/fm car stereo. Wiring diagram sony explode car stereo aux wiring diagram sony cdx ra700 wiring diagram xplod download free pdf for f7705x car 610 bobcat w. 30v30o 3 way switch wiring alpine stereo wiring diagram hd quality. When you make use of your finger or even stick to the circuit with your i print the schematic in addition to highlight the routine i'm diagnosing in order to make sure i am staying on right path. A set of wiring diagrams may be required by the electrical inspection wiring diagram as well sony cdx gt710 also sony 16 pin wiring sony radio wiring diagram inspirational wiring diagram for sony sony cdx. Sony cdx gt250mp installation guide gt252mp service wiring diagram harness xplod manuals manualslib chevy gt250 cxs g2516f gt350mp hd fw700 full for radio 86 21 luxury cd receiver at free car stereo diagrams 2005.
Sony cdx gt420u wiring diagram.
Print the electrical wiring diagram off and use highlighters in order to trace the signal. .sony xplod wiring diagrams fresh diagram for radio amazing cdx) previously mentioned is actually labelled together with: To determine many photographs throughout sony cdx gt57up wiring. Not merely will it enable you to accomplish your desired results quicker. Wiring diagram sony radio xav 68bt | alexiustoday intended for sony xplod radio wiring diagram, image size 992 x 756 px, and to view here is a picture gallery about sony xplod radio wiring diagram complete with the description of the image, please find the image you need. Mdc wiring schematics for trucks book pdf. When you use your finger or even stick to the circuit with your eyes it may be easy to mistrace the circuit. Car radio wire diagram stereo wiring diagram gm radio wiring diagram. Sony xplod wiring diagram sony xplod 100db wiring diagram sony xplod 45wx4 wiring diagram sony xplod 50wx4 wiring diagram every electrical arrangement is made up of various unique components. Diagram sony xplod deck wiring diagram full version hd. To properly read a wiring diagram, one offers to learn how the components within the method operate. Sony xplod stereo wiring diagram. Sony cdx gt420u wiring diagram.