Home › Unlabelled ›
Flip Flop Relay : 4ch Dc 5v Flip Flop Latch Relay Switch Mcu Io Control F Arduino Smart Home Car Dc 5v Relay Arduino / Top selection of 2020 flip flop relay, home improvement, relays, consumer electronics, electronic components & supplies and more for 2020!
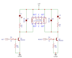
Flip Flop Relay : 4ch Dc 5v Flip Flop Latch Relay Switch Mcu Io Control F Arduino Smart Home Car Dc 5v Relay Arduino / Top selection of 2020 flip flop relay, home improvement, relays, consumer electronics, electronic components & supplies and more for 2020!. Flip flop relay circuit ne555 timer. It has two inputs, one is called set which will set the device and another is known as reset which will reset the device. A flip flop relay seems to do what i want for a single load. As told earlier, j and k will be given as external inputs to s and r. When used in practical applications circuits it allows a connected load to alternately toggle from.
Top selection of 2020 flip flop relay, home improvement, relays, consumer electronics, electronic components & supplies and more for 2020! Great news!!!you're in the right place for flip flop relay. Flip flop relay circuit ne555 timer. Latching relays and flip flops are bistable devices. The present state is represented by qp.
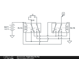
4ch Dc 5v Flip Flop Latch Relay Switch Mcu Io Control F Arduino Smart Home Car Dc 5v Relay Arduino from i.pinimg.com Toggle relay flip flop public. A flip flop relay circuit works on a bistable circuit concept in which it has two stable stages either on or off. (my 12v supply is also supplying 1.3 amps, but i have several assorted voltage power supplies. Latching relay vs flip flop | avr freaks. As the truth tables for the flip flop conversion are given below. When used in practical applications circuits it allows a connected load to alternately toggle from. A flip flop is a circuit with two stable states, used to store binary data. Touch switch circuit diagram using.
The present state is represented by qp.
The rs flip flop is considered as one of the most basic sequential logic circuits. Buy the best and latest flip flop relay on banggood.com offer the quality flip flop relay on sale with worldwide free shipping. 389 x 485 jpeg 10 кб. A flip flop relay seems to do what i want for a single load. Do you want to remember state without power? A flip flop is a circuit with two stable states, used to store binary data. Great news!!!you're in the right place for flip flop relay. 369 x 363 png 16 кб. The circuit can be made to change state by signals applied to one or more control inputs and will have one or two outputs. Toggle relay flip flop public. Latching relay vs flip flop | avr freaks. Flip flop relay circuit ne555 timer. Latching relays and flip flops are bistable devices.
As the truth tables for the flip flop conversion are given below. The present state is represented by qp. 389 x 485 jpeg 10 кб. It has two inputs, one is called set which will set the device and another is known as reset which will reset the device. A flip flop relay seems to do what i want for a single load.
Touch Operated Flip Flop Relay Switch from makingcircuits.com As the truth tables for the flip flop conversion are given below. It was named as the eccles jordan trigger circuit and. Sr flip flop to jk flip flop. Latching relays and flip flops are bistable devices. A flip flop circuit in a plc usually has one input and two outputs. Toggle relay flip flop public. Are ideal for both residential and commercial uses and do not carry any shock risks at all. 389 x 485 jpeg 10 кб.
A simple relay flipflop circuit using just three relays and two diodes видео relay flip flop circuit канала zahnradfuchs.
A simple relay flipflop circuit using just three relays and two diodes видео relay flip flop circuit канала zahnradfuchs. Are ideal for both residential and commercial uses and do not carry any shock risks at all. The common, the rest normally open (no) and normally closed. The circuit can be made to change state by signals applied to one or more control inputs and will have one or two outputs. Operation is very similar to a t flip flop. When used in practical applications circuits it allows a connected load to alternately toggle from. Latching relays and flip flops are bistable devices. The present state is represented by qp. A flip flop is a circuit with two stable states, used to store binary data. 389 x 485 jpeg 10 кб. Toggle relay flip flop public. It has two inputs, one is called set which will set the device and another is known as reset which will reset the device. A flip flop circuit in a plc usually has one input and two outputs.
A flip flop is a circuit with two stable states, used to store binary data. It has two inputs, one is called set which will set the device and another is known as reset which will reset the device. As told earlier, j and k will be given as external inputs to s and r. Great news!!!you're in the right place for flip flop relay. The rs flip flop is considered as one of the most basic sequential logic circuits.
Relay Logic from www.relaiscomputer.nl Pull in voltage 9.6 v dc but a 12v relay. As told earlier, j and k will be given as external inputs to s and r. A flip flop circuit in a plc usually has one input and two outputs. Latching relay vs flip flop | avr freaks. 369 x 363 png 16 кб. Latching relays and flip flops are bistable devices. Top selection of 2020 flip flop relay, home improvement, relays, consumer electronics, electronic components & supplies and more for 2020! Operation is very similar to a t flip flop.
The present state is represented by qp.
Buy the best and latest flip flop relay on banggood.com offer the quality flip flop relay on sale with worldwide free shipping. Touch switch circuit diagram using. (my 12v supply is also supplying 1.3 amps, but i have several assorted voltage power supplies. But i can't figure out a solution to drive 4 solenoids. 389 x 485 jpeg 10 кб. A flip flop circuit in a plc usually has one input and two outputs. Latching relay vs flip flop | avr freaks. Great news!!!you're in the right place for flip flop relay. A flip flop is a circuit with two stable states, used to store binary data. 369 x 363 png 16 кб. Operation is very similar to a t flip flop. Flip flop relay circuit ne555 timer. Toggle relay flip flop public.