2006 Subaru Tribeca Engine Diagram / Subaru Tribeca Wiring Diagram Wiring Diagram Tags Zone Scale Zone Scale Discoveriran It : Fuse box diagram (location and assignment of electrical fuses) for subaru tribeca (b9) (2006, 2007).. The car turned out to be very successful, in many respects overtook its competitors and allowed the fhi concern to gain a foothold in the automotive market, even though at. Subaru tribeca workshop, repair and owners manuals for all years and models. Fuse box diagram (location and assignment of electrical fuses) for subaru tribeca (b9) (2006, 2007). These subarus has an oil drip pan underneath the engine. Rattling sound coming from engine bay at idle or in reverse.

Using electrical accessories for a long time with the ignition switch in the on. In this article, you will find fuse box diagrams of subaru b9 tribeca 2006 and 2007, get. 2006 subaru tribeca 4dr suv. We have 130 subaru tribeca manuals covering a total of 47 years of production. The car turned out to be very successful, in many respects overtook its competitors and allowed the fhi concern to gain a foothold in the automotive market, even though at.

2006 Subaru Tribeca Fuse Box Wiring Diagram Solid Central Solid Central Remieracasteo It
2006 Subaru Tribeca Fuse Box Wiring Diagram Solid Central Solid Central Remieracasteo It from fuse-box.info
We have 130 subaru tribeca manuals covering a total of 47 years of production. Subaru tribeca 2006 ancap crash test (5 stars). Using electrical accessories for a long time with the ignition switch in the on. The car turned out to be very successful, in many respects overtook its competitors and allowed the fhi concern to gain a foothold in the automotive market, even though at. Fuse box diagram (location and assignment of electrical fuses) for subaru tribeca (b9) (2006, 2007). Subaru tribeca service and repair manuals. See body style, engine info and more specs. Engine timing chain guide guide for the timing chain.

Get 2006 subaru b9 tribeca values, consumer reviews, safety ratings, and find cars for sale near you.

Subaru tribeca service and repair manuals. We have 130 subaru tribeca manuals covering a total of 47 years of production. We have 2 subaru 2006 b9 tribeca manuals available for free pdf download: Subaru tribeca workshop, repair and owners manuals for all years and models. Released in some markets, including canada, as the subaru b9 tribeca, the name tribeca derives from the tribeca neighborhood of new york city. The engine was located behind. Engine timing chain guide guide for the timing chain. Subaru tribeca 2006 ancap crash test (5 stars). See body style, engine info and more specs. Fuse box diagram (location and assignment of electrical fuses) for subaru tribeca (b9) (2006, 2007). Using electrical accessories for a long time with the ignition switch in the on. 2006 subaru b9 tribeca expert review. Get your hands on the complete subaru … if you want to get another reference about 2006 subaru b9 tribeca engine diagram please see more wiring amber you can see it in the gallery below.

Subaru tribeca service and repair manuals. Free pdf download for thousands of cars and trucks. Subaru tribeca 2006 ancap crash test (5 stars). Rattling sound coming from engine bay at idle or in reverse. We have 130 subaru tribeca manuals covering a total of 47 years of production.

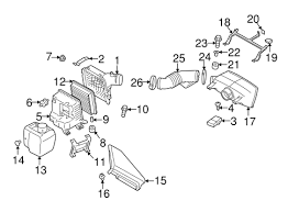
Diagram 2006 Subaru Tribeca Engine Diagram Full Version Hd Quality Engine Diagram Electrocardiagram Acrept Fr
Diagram 2006 Subaru Tribeca Engine Diagram Full Version Hd Quality Engine Diagram Electrocardiagram Acrept Fr from electrocardiagram.acrept.fr
See body style, engine info and more specs. We have 130 subaru tribeca manuals covering a total of 47 years of production. Rattling sound coming from engine bay at idle or in reverse. 2006 subaru tribeca 4dr suv. The car turned out to be very successful, in many respects overtook its competitors and allowed the fhi concern to gain a foothold in the automotive market, even though at. These subarus has an oil drip pan underneath the engine. Get your hands on the complete subaru … if you want to get another reference about 2006 subaru b9 tribeca engine diagram please see more wiring amber you can see it in the gallery below. Using electrical accessories for a long time with the ignition switch in the on.

We have 130 subaru tribeca manuals covering a total of 47 years of production.

Subaru check engine light with flashing cruise icon. Subaru tribeca 2006 ancap crash test (5 stars). We have 130 subaru tribeca manuals covering a total of 47 years of production. Get 2006 subaru b9 tribeca values, consumer reviews, safety ratings, and find cars for sale near you. Compare 2006 subaru tribeca different trims ». Engine timing chain guide guide for the timing chain. 2006 subaru tribeca 4dr suv. Rattling sound coming from engine bay at idle or in reverse. View online or download subaru 2006 b9 tribeca owner's manual. In this article, you will find fuse box diagrams of subaru b9 tribeca 2006 and 2007, get. See body style, engine info and more specs. These subarus has an oil drip pan underneath the engine. Fuse box diagram (location and assignment of electrical fuses) for subaru tribeca (b9) (2006, 2007).

We have 130 subaru tribeca manuals covering a total of 47 years of production. Fuse box diagram (location and assignment of electrical fuses) for subaru tribeca (b9) (2006, 2007). Subaru check engine light with flashing cruise icon. Compare 2006 subaru tribeca different trims ». This (like all of our manuals) is available.

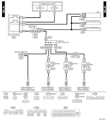
2006 Subaru Tribeca Wiring Diagram Wiring Diagram Cycle Note B Cycle Note B Agriturismoduemadonne It
2006 Subaru Tribeca Wiring Diagram Wiring Diagram Cycle Note B Cycle Note B Agriturismoduemadonne It from i2.wp.com
These subarus has an oil drip pan underneath the engine. 2006 subaru b9 tribeca expert review. Subaru check engine light with flashing cruise icon. In this article, you will find fuse box diagrams of subaru b9 tribeca 2006 and 2007, get. Engine timing chain guide guide for the timing chain. See body style, engine info and more specs. The engine was located behind. Subaru tribeca 2006 ancap crash test (5 stars).

Subaru tribeca service and repair manuals.

These subarus has an oil drip pan underneath the engine. See body style, engine info and more specs. The engine was located behind. Get 2006 subaru b9 tribeca values, consumer reviews, safety ratings, and find cars for sale near you. Subaru tribeca workshop, repair and owners manuals for all years and models. In this article, you will find fuse box diagrams of subaru b9 tribeca 2006 and 2007, get. 2006 subaru b9 tribeca expert review. View online or download subaru 2006 b9 tribeca owner's manual. Subaru check engine light with flashing cruise icon. We have 2 subaru 2006 b9 tribeca manuals available for free pdf download: We're sorry, our experts haven't reviewed this car yet. Compare 2006 subaru tribeca different trims ». Fuse box diagram (location and assignment of electrical fuses) for subaru tribeca (b9) (2006, 2007).

By