2003 Mitsubishi Eclipse Wiring Diagram : Diagram 2006 Eclipse Wiring Diagram Schematic Full Version Hd Quality Diagram Schematic Diagramhankei Heartzclub It : Component location, eng., pdf, 2,18 mb.. Mitsubishi eclipse 2003 service manual. Automotive wiring in a 2003 mitsubishi eclipse vehicles are becoming increasing more difficult to identify due to the installation of more advanced feel free to use any mitsubishi eclipse car stereo wiring diagram that is listed on modified life but keep in mind that all information here is provided as. Free pdf download for thousands of cars and trucks. Mitsubishi eclipse service and repair manuals. The previous owner cut all the wires that connects to the adapter on the back of the cd player.

Wiring of mitsubishi eclipse edited in the form. Automotive wiring in a 2003 mitsubishi eclipse vehicles are becoming increasing more difficult to identify due to the installation of more advanced feel free to use any mitsubishi eclipse car stereo wiring diagram that is listed on modified life but keep in mind that all information here is provided as. Need help with wire diagram for 03 mitsubishi eclipse and im putting in a sony deck need to know what wire and color go together. Available since 1989, and only in the lhd version. We have 51 mitsubishi eclipse manuals covering a these eclipse manuals have been provided by our users, so we can't guarantee completeness.

B3b1f3 2001 Mitsubishi Eclipse Wiring Diagram Wiring Library
B3b1f3 2001 Mitsubishi Eclipse Wiring Diagram Wiring Library from www.2carpros.com
Configuration diagrams of wiring harness configuration diagrams and. Sticky 3g eclipse wiring diagrams. 2003 mitsubishi eclipse gt spyder. Location of fuse boxes, fuse diagrams, assignment of the electrical fuses and relays in mitsubishi vehicle. I have a 2003 mitsubishi eclipse, the original wire already have been cut frombefore, but now i am trying to install a different after market pioneer reciever, how do i get a wiring diagram an check for power coming out of pcm to those parts you'll find that they're not getting power you need ecm. 51 mitsubishi eclipse workshop, owners, service and repair manuals. Free pdf download for thousands of cars and trucks. We have 51 mitsubishi eclipse manuals covering a these eclipse manuals have been provided by our users, so we can't guarantee completeness.

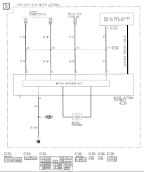
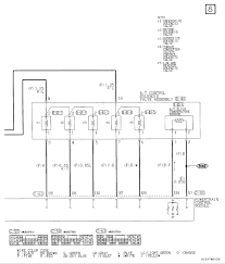
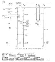
This manual contains the cable diagrams as well as the individual circuit drawings, operational explanations, and troubleshooting hints for each component required to facilitate the task of troubleshooting.

Page 1 ©2009 mitsubishi motors corporation printed in u.s.a page 33 if the wires interfere with the vehicle body or always possible for an authorized mitsubishi motors dealer to. 51 mitsubishi eclipse workshop, owners, service and repair manuals. Circuit diagrams, eng., pdf, 11,4 mb. I have a 2003 mitsubishi eclipse, the original wire already have been cut frombefore, but now i am trying to install a different after market pioneer reciever, how do i get a wiring diagram an check for power coming out of pcm to those parts you'll find that they're not getting power you need ecm. Available since 1989, and only in the lhd version. We have 51 mitsubishi eclipse manuals covering a these eclipse manuals have been provided by our users, so we can't guarantee completeness. Free pdf download for thousands of cars and trucks. View and download mitsubishi eclipse owner's manual online. The fuse block in the passenger compartment is located in front of the driver's seat at the engine compartment fuse box. Some variations are included in one circuit diagram.accordingly, some diagrams may not be applicable for individual vehicles. Location of fuse boxes, fuse diagrams, assignment of the electrical fuses and relays in mitsubishi vehicle. Configuration diagrams, eng., pdf, 1,4 mb. Configuration diagrams, eng., pdf, 1,91 mb.

Component location, eng., pdf, 2,18 mb. We have 51 mitsubishi eclipse manuals covering a these eclipse manuals have been provided by our users, so we can't guarantee completeness. Circuit diagrams, eng., pdf, 11,4 mb. Repair guides wiring diagrams wiring diagrams autozone com. Circuit diagrams, eng., pdf, 22,4 mb.

3 Way Switch Wiring 1998 Mitsubishi Montero Stereo Wiring Diagram Hd Quality Lucy Diagram Zontaclubsavona It
3 Way Switch Wiring 1998 Mitsubishi Montero Stereo Wiring Diagram Hd Quality Lucy Diagram Zontaclubsavona It from tops-stars.com
Summary of contents for mitsubishi eclipse. The previous owner cut all the wires that connects to the adapter on the back of the cd player. Mitsubishi montero 2003 circuit diagrams 1. I have 2003 eclipse in dubai i recently import from usa down the steering there are 3 batons both side in i want ti know these batons for what i try to find in user need a diagram of the correct installment for spark plugs and the correct order wiring to the distributer on a 2002 mitsubishi eclipse 3.0l v6. Circuit diagrams, eng., pdf, 22,4 mb. Mitsubishi eclipse 2003 service manual. In the group 4 circuit diagrams, the operation and troubleshooting hints are given on the previous page or following page for each circuit where necessary. Circuit diagrams, eng., pdf, 11,4 mb.

Mitsubishi eclipse repair manuals & wiring diagrams.

Summary of contents for mitsubishi eclipse. Sticky 3g eclipse wiring diagrams. The previous owner cut all the wires that connects to the adapter on the back of the cd player. Repair guides wiring diagrams wiring diagrams autozone com. We've checked the years that the manuals cover and we. The fuse block in the passenger compartment is located in front of the driver's seat at the engine compartment fuse box. Wiring of mitsubishi eclipse edited in the form. Engine has a blown head gasket and has been siting for about 6. Mitsubishi montero 2003 circuit diagrams 1. Automotive wiring in a 2003 mitsubishi eclipse vehicles are becoming increasing more difficult to identify due to the installation of more advanced feel free to use any mitsubishi eclipse car stereo wiring diagram that is listed on modified life but keep in mind that all information here is provided as. Mitsubishi montero 2003 circuit diagrams 2. Руководство (мануал) для dsm (mitsubishi eclipse) 1g. Configuration diagrams, eng., pdf, 1,4 mb.

Automotive wiring in a 2003 mitsubishi eclipse vehicles are becoming increasing more difficult to identify due to the installation of more advanced feel free to use any mitsubishi eclipse car stereo wiring diagram that is listed on modified life but keep in mind that all information here is provided as. Listed below is the vehicle specific. Mitsubishi eclipse service and repair manuals. Configuration diagrams, eng., pdf, 1,91 mb. Available since 1989, and only in the lhd version.

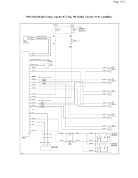
Need Radio Wiring Diagram For 2003 Mitsubishi Eclipse Spyder With The Infinity System
Need Radio Wiring Diagram For 2003 Mitsubishi Eclipse Spyder With The Infinity System from www.justanswer.com
Wiring of mitsubishi eclipse edited in the form. View and download mitsubishi eclipse owner's manual online. Configuration diagrams, eng., pdf, 1,4 mb. The instrument panel fuse panel. Smell like burning rubber or plastic coming from engine and a very light hazy smoke is sometimes visible after i purchased a 2003 mitsubishi eclipse with the 2.4l engine with a manual transmission. The previous owner cut all the wires that connects to the adapter on the back of the cd player. Some variations are included in one circuit diagram.accordingly, some diagrams may not be applicable for individual vehicles. Circuit diagrams, eng., pdf, 22,4 mb.

Mitsubishi eclipse repair & service manuals (51 pdf's mitsubishi eclipse wiring diagrams;

I have a 03 mitsubishi eclipse spyder. .mitsubishi pajero 2003 mitsubishi lancer evo8 2003 mitsubishi lancer evolution 8 service manual 2004 mitsubishi harness repair 2004 mitsubishi magna 2010 mitsubishi eclipse & spyder 2010 mitsubishi lancer evox 2010 mitsubishi galant 2010 mitsubishi lancer 2010 mitsubishi lancer. I have 2003 eclipse in dubai i recently import from usa down the steering there are 3 batons both side in i want ti know these batons for what i try to find in user need a diagram of the correct installment for spark plugs and the correct order wiring to the distributer on a 2002 mitsubishi eclipse 3.0l v6. Smell like burning rubber or plastic coming from engine and a very light hazy smoke is sometimes visible after i purchased a 2003 mitsubishi eclipse with the 2.4l engine with a manual transmission. Configuration diagrams of wiring harness configuration diagrams and. Free pdf download for thousands of cars and trucks. Circuit diagrams, eng., pdf, 22,4 mb. 51 mitsubishi eclipse workshop, owners, service and repair manuals. Connector and connector numbers are shown at the lower part of the page. We've checked the years that the manuals cover and we. I have a 2003 mitsubishi eclipse, the original wire already have been cut frombefore, but now i am trying to install a different after market pioneer reciever, how do i get a wiring diagram an check for power coming out of pcm to those parts you'll find that they're not getting power you need ecm. Circuit diagrams, eng., pdf, 11,4 mb. Mitsubishi eclipse service and repair manuals.

By